MH806型靜態扭矩傳感器雙法蘭連接力矩傳感器,MH806系列反作用力矩傳感器結構緊湊,堅固且無需維護,具有許多優點。傳感器基于應變計技術,可提供高精度的信號傳輸。MH806系列扭矩傳感器設計用于在順時針和逆時針方向上以高精度執行靜態扭矩測量和動態旋轉(有限角度)。傳感器使用與被測部件對齊的法蘭 - 法蘭連接測量小反作用力矩水平。它的設計帶有一個中心通孔,可以穿過軸,電纜或管道。主要應用領域包括執行器和閥門測試,緊固件測試,泵測試和汽車制動。
一、技術參數:
測量范圍:2N.m、5N.m、10N.m、20N.m、50N.m、100N.m、200N.m、300N.m、500N.m、1KN.m、2KN.m、3KN.m、5KN.m、10KN.m、20KN.m、30KN.m、40KN.m、60KN.m、100KN.m(可選)
外供電源:5- 24VDC、±15VDC、24VDC
輸出信號:≈1mV / V、5-15KHz、4-20mA、0-20mA、0-5V、0-10V
測量精度:±0.5%F·S ; ±0.2%F·S ; ±0.1%F·S
過載能力:120%~150%F·S
響應頻率:100μs
工作溫度:-20°~ +60°
重 復 性:±0.1% F? S
非 線 性:±0.1% F? S
零點溫飄:±0.2% F? S
二、產品規格選擇:
產品規格選型根據客戶不同要求選擇所適合的參數

三、產品特點:
1、適用于測量直接扭矩的機械之間的螺栓連接,最大偏轉角度不超過≯360度。
2、無需預熱,開機即可進入工作狀態。
3、測量精度高、穩定性好、抗干擾性強。
4、受低壓水射流保護 - 適用于大多數工業環境。
5、傳感器可脫離二次儀表獨立使用,只要按插針號給傳感器提供5-24VDC電源即可輸出阻抗與扭矩成正比的電流、電壓或頻率信號。
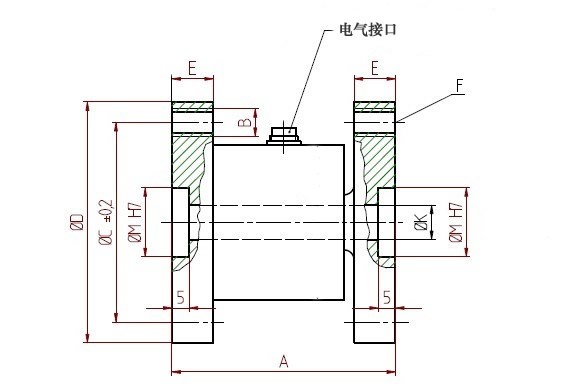
四、產品規格尺寸

MH806尺寸表

由于出色的穩定性、較高的測量精度和較高的性價和更加簡單的監控方式比而受到用戶的贊譽。安裝時是一端固定,另一端受力,傳感器的測量彈性體不參與相對運動,測試彈性體受的是相對反作用力。定制的軸和配置選項,以滿足您的系統應用。


全國服務熱線




